
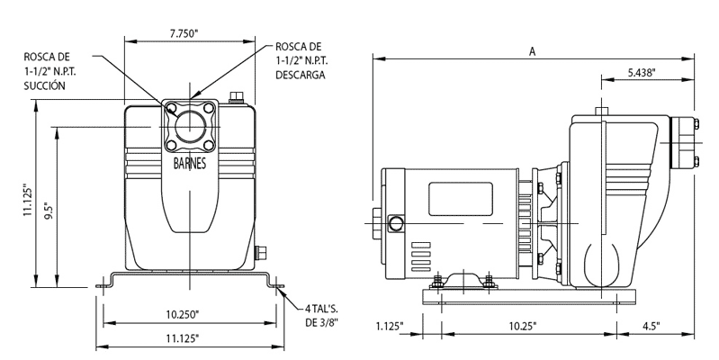
Succión: 1 1/2 Cuerpo: Hierro gris Válvula de retención: Fabricada en hule con dos capas de lona, cuenta con dos contrapesas de acero Impulsor (4 alabes, tipo abierto con un paso de soliidos de 3/4" (1.19cm) balanceado estéticamente): Hierro Gris Sello (tipo mecánico, lubricado por agua): Cerámica parte estacionaria, anillo de carbón y sello de exclusión parte rotatoria. Resorte de acero inoxidable. Las bombas autocebantes cuentan con motor eléctrico.
Estas bombas autocebantes con motor electrico son ideales para el desagüe de zonas inundadas, construcción de edificios, reparación de drenajes, irrigación, ganadería y mantenimiento.
| Tamaño | Dimensiones | Curva Operacion | Ficha tecnica | Manual operativo |
|---|---|---|---|---|
| SP | VER | VER |
|
N/D |
| 2N | VER | VER |
|
|
| 3N | VER | VER |
|